Introduction.
Compact but fast DNV/GL certified marine computer with numerous I/O ports. Used for more demanding tasks, to collect data and control processes, as well as for visual display on up to three screens.

Many possibilities.
The MC-7410 and MC-7420 offer numerous connection and control options, and with the powerful Intel CPUs Celeron G3902E, i5 6442EQ, and i7 6822EQ, you have a marine computer for the more demanding tasks.
Here is a brief overview of the specifications for the two basic models, but otherwise we refer you to the data sheet, which can be downloaded at the bottom of the page.
2x DDR4 SO-DIMM up to 32GB
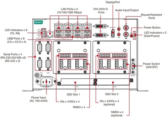
> 3 independent display outputs (1x DVI-1, 1x DVI-D, and 1x Display Port)
> 9x USB 2.0 and 3.0, 5x GB LAN, 4x Serial ports, Audio in/out
> 4x DI, 4x DO, 4x NMEA 0183 (MC-7420 only)
> 2x Removable HHD/SSD disks 2.5”
> AC or DC power supply
> Windows 10 or Linux Debian 9
> Moxa surveillance software
The MC-7410 can be supplied with either AC or DC power supply.

The MC-7420 is an extended version of the MC-7410 with additional features.

How can I find out more (useful links)?
- Yes, please contact me for further details (send by email).
- Call us at 4485 8000